Ersatzteil Wahl:
Scheinwerfer - Blinker vorne Tachometer Motoraufhängung Elektrik 2 Elektrik 1 Aufkleber 2 Kabelbaum Kühler Seilwinde Luftfilter Anhängevorrichtung Auspuff Sitzbank Kotflügelverbreiterung - Kotflügel vorne und hinten Heckverkleidung mattschwarz Motorgehäuse Motorgehäuse rechts Motorgehäuseabdeckung links 2 Motorgehäuseabdeckung links 1 Getriebe Zylinder Zylinderkopf Ansaugstutzen Motor Seitenverkleidung - Fußstützen schwarz Stoßstange vorne gelb Frontverkleidung mattschwarz Hinterrad Hinterradachse Bremsanlage hinten Schalter - Hebel Lenker - Spiegel Lenksäule - Spurstange Vorderrad Top Case Unterfahrschutz Gepäckträger hinten - Stoßstange vorne Vorderradbremse Federbein vorne Bremsanlage vorne Bremspedal Gangschalthebel Benzinpumpe Kraftstoffbehälter Federbein hinten Rahmen Scheinwerfer - Blinker hinten EPS Servolenkung Servomotor Variomatik Differenzial hinten Differenzial vorne Motorgehäuse links 2 Motorgehäuse links 1 Lichtmaschine Kurbelwelle - Kolben Drosselklappe
Target 600 EPS LOF 2020-21
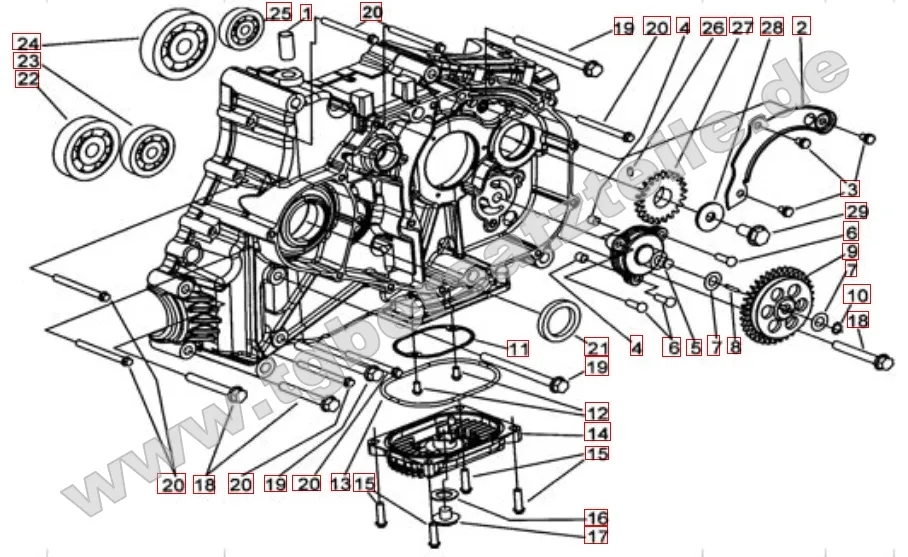
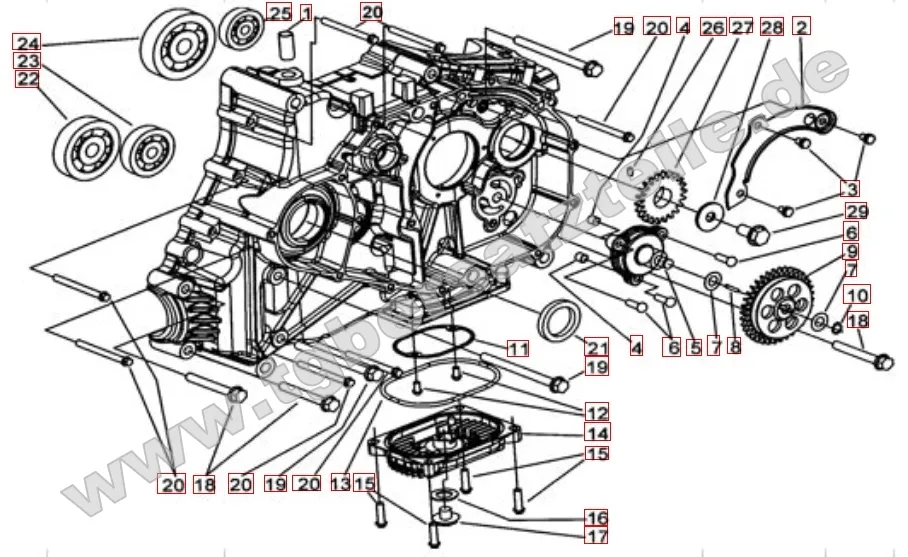
In dieser Shopkategorie bei teammayerparts.de finden Sie alle originale TGB Quad / ATV Ersatzteile für das Modell Target 600 EPS mit LOF Zulassung und Baujahr 2020 bis 2021.
Die Auswahl der original Ersatzteile erfolgt über Explosionszeichnungen von jeder Baugruppe des TGB Quad Modells. Mit den Hot-Spots in den Teilezeichnungen können Sie die gewünschten Ersatzteile für Ihr TGB Quad / ATV schnell und einfach ausgewählt und bestellt werden.
Hinweis:
Achten Sie auf die Farbauswahl der Verkleidungsteile und der richtige Fahrzeugseite mancher Bauteile.

























































