Ersatzteil Wahl:
Benzinpumpe Elektrik 2 Drosselklappe Motorgehäuse Motorgehäuse rechts Wasserpumpe - Handstartereingriffsrad - Tachoantrieb Getriebe Zylinder Zylinderkopf Ansaugstutzen Motor Dichtsatz Elektrik 1 Auspuff Luftfilter Kühler Kabelbaum - Schlosssatz Sitzbank Kotflügelverbreiterung - Kotflügel vorne und hinten Heckverkleidung Seitenverkleidung - Fußstütze Frontverkleidung - Tankabdeckung Reifen onroad und Stahlfelgen Anhängevorrichtung Seilwinde Unterfahrschutz Stoßstange vorne - Gepäckträger hinten Hinterrad Hinterradachse Federbein hinten Bremsanlage hinten Schalter - Hebel Lenker - Spiegel Lenksäule - Spurstange Vorderrad Vorderradbremse Federbein vorne Stellmotor Differentialsperre Variomatik Differenzial hinten Differenzial vorne Motorgehäuse links (2) Motorgehäuse links (1) Lichtmaschine - Anlasser Kurbelwelle - Kolben Bremsanlage vorne Bremspedal Gangschalthebel Benzintank Motoraufhängung Rahmen Rücklicht - Blinker hinten Scheinwerfer - Blinker vorne Aufkleber II Tachometer Aufkleber I
Target 550 EFI 4x4 LOF IRS Gunner Edition 2016
In dieser Shopkategorie bei teammayerparts.de finden Sie alle originale TGB Quad / ATV Ersatzteile für das Modell Target 550 EFI 4x4 IRS Gunner Edition mit LOF Zulassung und Baujahr 2016.
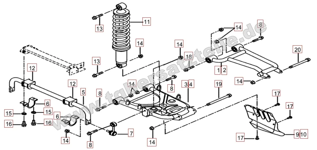
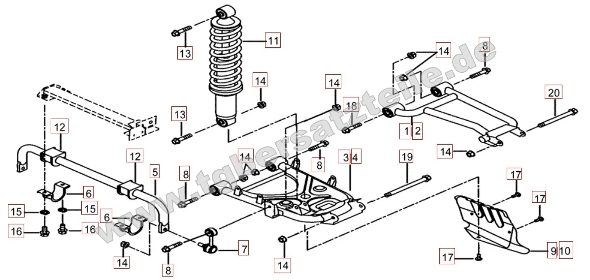
Die Auswahl der original Ersatzteile erfolgt über Explosionszeichnungen von jeder Baugruppe des TGB Quad Modells. Mit den Hot-Spots in den Teilezeichnungen können Sie die gewünschten Ersatzteile für Ihr TGB Quad / ATV schnell und einfach ausgewählt und bestellt werden.
Hinweis:
Achten Sie auf die Farbauswahl der Verkleidungsteile und der richtige Fahrzeugseite mancher Bauteile.























































