Ersatzteil Wahl:
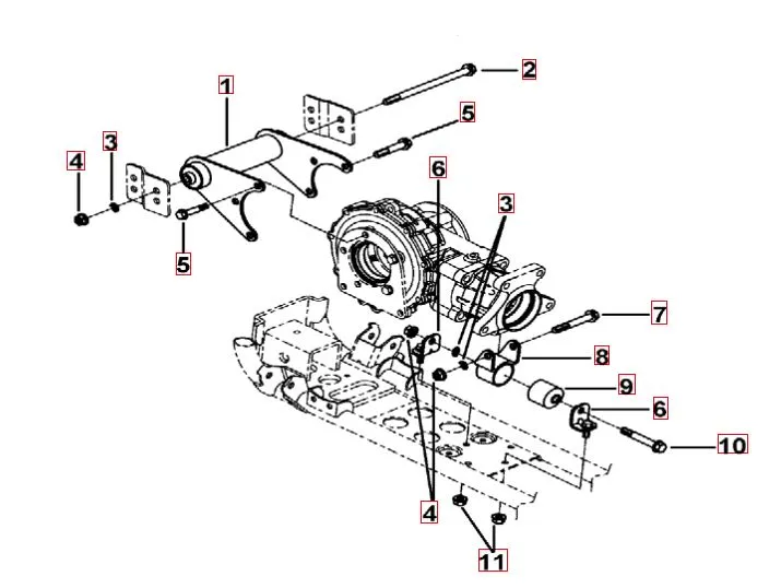
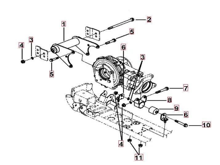
Motorgehäuse links Gangschalthebel Motorgehäuse Tank Stossstange vo. und hi. Kurbelwelle - Kolben Federbein vorne Rahmen (2) Rahmen (1) Lenksäule - Spurstange Rücklicht Scheinwerfer Aufkleber 2 Tachometer Aufkleber 1 Rahmen Elektrik 2 Elektrik Zylinder Top Case 110l Drosselklappe Zylinderkopf Auspuff Luftfilter Kühler Kabelbaum Sitzbank Ansaugstutzen Heckverkleidung Fußstützen und Tankabdeckung Frontverkleidung Stossstange vorne Lichtmaschine - Anlasser Stellmotor Hinterrad Motorgehäuse links (2) Motor Wasserpumpe Felgen Seilwinde Schmierstoffe Sissybar Differenzial hinten (2) Windschild Differenzial hinten (1) Anhängevorrichtung Differenzial vorne Motorgehäuse links (1) Getriebe Top Case Gepäckträger Plastik Gepäckträger und Sturzbügel Zubehör Hinterradachse Bremsanlage hinten Schalter - Hebel Lenker - Spiegel Vorderrad Vorderradbremse Federbein hinten Motorgehäuse rechts Bremsanlage vorne Bremspedal Benzinpumpe EPS Variomatik Motor






























































