Ersatzteil Wahl:
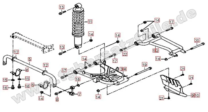
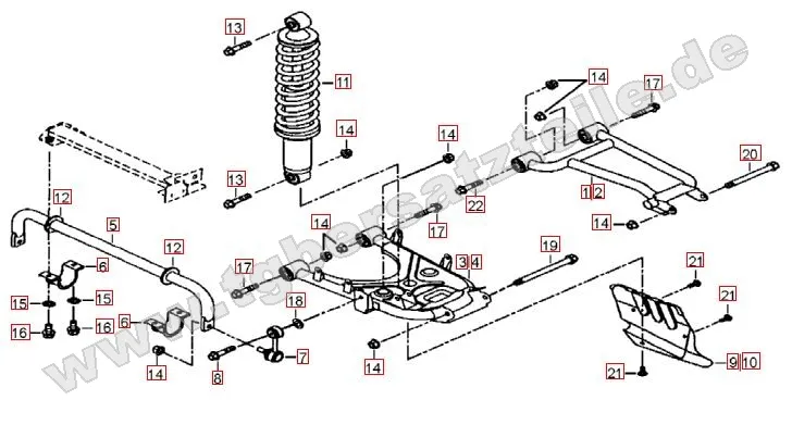
Elektrik 1 Auspuff Luftfilter Kühler Kabelbaum Sitzbank Heckverkleidung Fussstützen und Tankabdeckung Frontverkleidung Stossstange vorne Blade 550 LT LOF IRS 2012 Hinterrad Hinterradachse Bremsanlage hinten Schalter-Hebel Lenker-Spiegel Lenksäule-Spurstange Vorderrad Vorderradbremse Federbein hinten Bremsanlage vorne Stellmotor Differentialsperre Variomatik Differenzial hinten Differenzial vorne Motorgehäuse links (2) Motorgehäuse links (1) Lichtmaschine-Anlasser Kurbelwelle-Kolben Bremspedal Gangschalthebel Benzintank Stossstange vo. und hi. Federbein vorne Rahmen Rücklicht-Blinker hinten Scheinwerfer-Blinker vorne Tachometer Aufkleber2 Rahmen Aufkleber1 Benzinkanister u. Halter Elektrik 2 Vergaser Schneeschild Motorgehäuse Windschild Motorgehäuse rechts Sissybar Wasserpumpe-Handstartereingriffsrad-Tachoantrieb Getriebe Anhängevorrichtung Zylinder Seilwinde Zylinderkopf Top Case Ansaugstutzen Gepäckträger vo. und hi. Motor Zubehör Motor


























































