Ersatzteil Wahl:
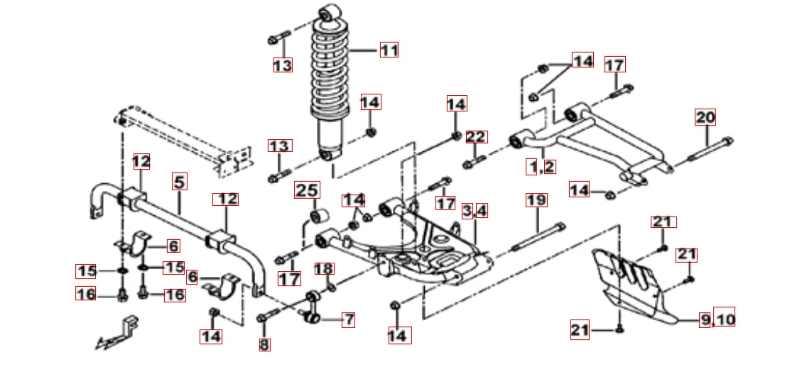
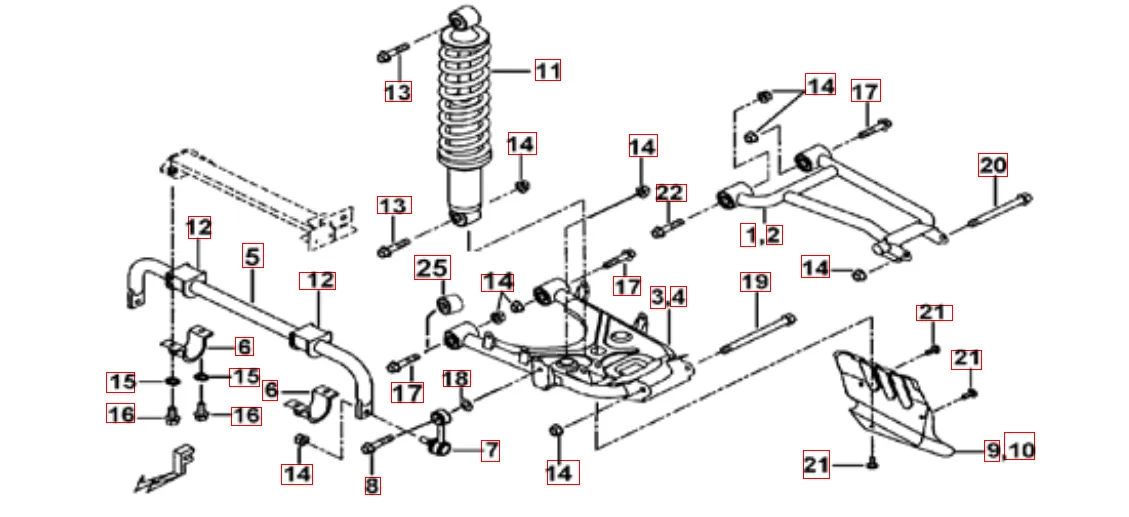
Top Case 135L Top Case 110L Sissybar Spezialwerkzeug Auspuff Reifen und Felgen Luftfilter Anhängevorrichtung Kühler Seilwinde Top Case Sitzbank Unterfahrschutz Stossstange vorne Lenker - Spiegel Hinterradachse Bremsanlage hinten Schalter - Hebel Vorderradbremse Federbein hinten Bremsanlage vorne Stossstange vo. und hi. Variomatik Differential hinten Motorgehäuse links (1) Kurbelwelle - Kolben Bremspedal Gangschalthebel Benzintank Rücklicht Scheinwerfer - Blinker vorne Gepäcksträger plastik Tachometer Benzinkanister u. Halter Gepäckträger vo. und hi. Elektrik 2 Drosselklappe Motorgehäuse rechts Wasserpumpe - Tachoantrieb Getriebe Motorgehäuse links 2 Zylinder Zylinderkopf Ansaugstutzen Motor Kabelbaum - Schlosssatz Lenksäule - Spurstange Heckverkleidung Fussstützen und Tankabdeckung Frontverkeidung Differential vorne EPS Lichtmaschine - Anlasser Benzinpumpe bis VIN 024800 Vorderrad Federbein vorne Rahmen Aufkleber 2 Aufkleber 1 Motorgehäuse Hinterrad Elektrik 1 Servomotor






























































