Ersatzteil Wahl:
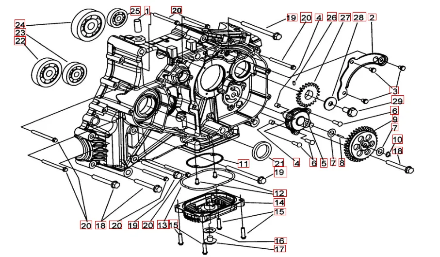
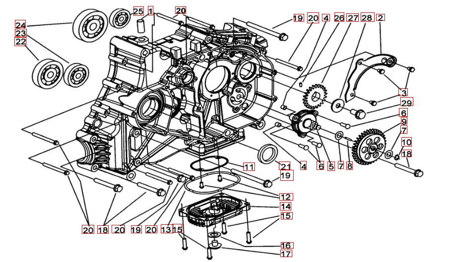
Gangschalthebel Schalter-Hebel Getriebe Top Case Motorgehäuse links 1 Sitzbank Frontverkleidung Differntial hinten 1 Kühler Rahmen Tachometer Motor Bremspedal Bremsanlage hinten Benzinpumpe Motorgehäusedeckel links 1 Anhängervorrichtung und Schmutzfänger Motorgehäuse links 2 Fußstützen-Tankabdeckung EPS Kabelbaum Federbein hinten Vorderrad Scheinwerfer LED Ansaugstutzen Drosselklappe Bremssystem vorne Motorgehäusedeckel links 2 Hinterradachse Gepäckträger hinten und vorne Plastik Seilwinde Differential vorne Elektrik 1 Hilfsrahmen Lenksäule-Spurstange Zylinderkopf Kurbelwelle-Kolben Federbein vorne Motorgehäuse rechts Spezialwerkzeug Hinterrad Aufkleber 1 Differenzial hinten Auspuff Elektrik 2 Diagnosegerät Kraftstofftank Lenker-Spiegel Vorderradbremse Zylinder Lichtmaschine-Anlasser Heckverkleidung Motorgehäuse Unterfahrschutz Frontmaske Aufkleber 2 Variomatik Luftfilter Tachometer Motoraufhängung



























































