Ersatzteil Wahl:
Blade 550 EFI EPS LOF Limited 2021 Blade 550 EFI Offroad LOF IRS 2018 Special Edition Blade 550 offroad LOF IRS Winter Edition Blade 550 offroad LOF IRS 2015 Blade 550 EFI SE offroad LOF IRS 2014-15 Blade 550 EFI Offroad LOF IRS 2018 Blade 550 EFI offroad LOF IRS 2013 Blade 550 offroad LOF IRS 2012 Blade 550 EFI LOF IRS FL ECO 2017 Blade 550 offroad LOF IRS 2010 Blade 550 EFI ECO LOF 2020-21 Blade 550 EFI ECO LOF Special Edition 2017 Blade 550 EFI EPS 4x4 LOF IRS Eco 2018 Black Edition Blade 550 EFI offroad LOF IRS 2016 Blade 550R EFI offroad LOF 2015 Blade 550 EFI LOF IRS Black Edition 2016
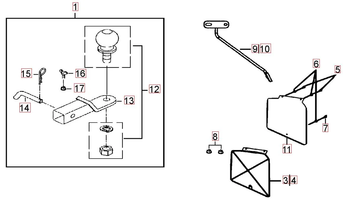
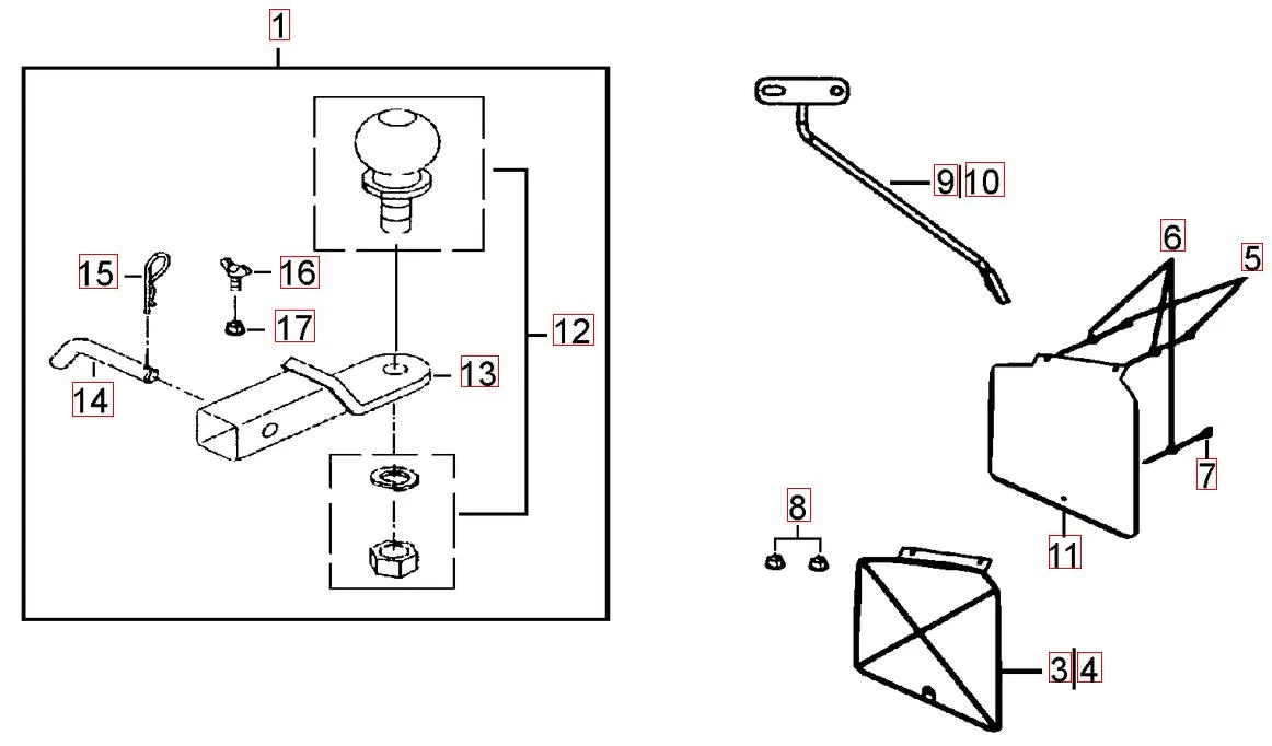
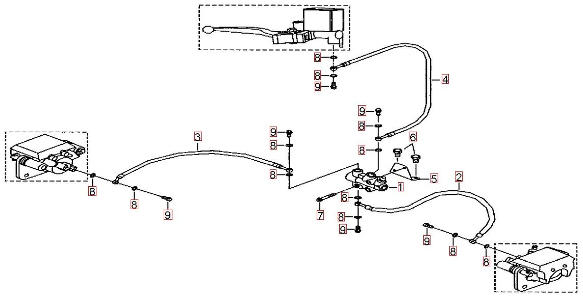
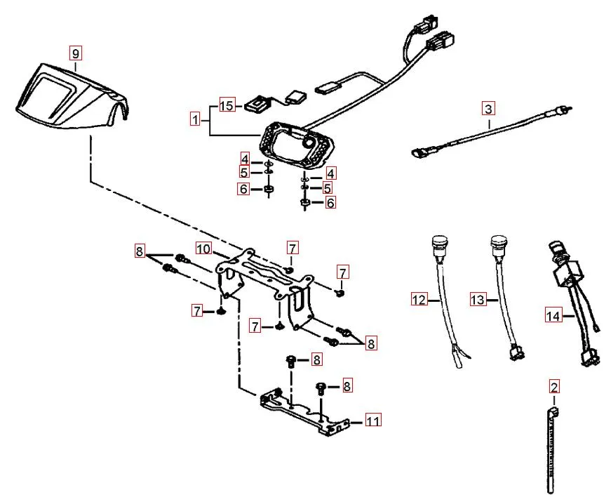
Motorgehäuse Motorgehäuse rechts Wasserpumpe - Tachoantrieb Getriebe Zylinder Zylinderkopf Ansaugstutzen Motor Motor Windschild Sissybar Spezialwerkzeug Reifen und Felgen Anhängevorrichtung Seilwinde Top Case Elektrik 1 Unterfahrschutz Auspuff Gepäckträger vo. und hi. Luftfilter Zubehör Kühler Kabelbaum - Schlosssatz Sitzbank Heckverkleidung Fussstützen und Tankabdeckung Frontverkleidung Stossstange vorne Hinterrad Hinterradachse Blade 550R EFI offroad LOF 2015 Bremsanlage hinten Schalter - Hebel Lenker - Spiegel Lenksäule - Spurstange Vorderrad Vorderradbremse Schwinge hinten Bremsanlage vorne Variomatik Differenzial hinten Differenzial vorne Motorgehäuse links (2) Motorgehäuse links (1) Lichtmaschine - Anlasser Kurbelwelle - Kolben Bremspedal Gangschalthebel Benzintank Stossstange vo. und hi. Benzinkanister u. Halter Federbein vorne Schneeschild Rahmen Rücklicht Soft Top Case Scheinwerfer - Blinker vorne Top Case 135L Aufkleber2 Tachometer Top Case 110L Aufkleber1 Rahmen Benzinpumpe Elektrik 2 Drosselklappe



































































