Ersatzteil Wahl:
Blade 550 EFI EPS LOF Limited 2021 Blade 550 EFI Offroad LOF IRS 2018 Special Edition Blade 550 offroad LOF IRS Winter Edition Blade 550 offroad LOF IRS 2015 Blade 550 EFI SE offroad LOF IRS 2014-15 Blade 550 EFI Offroad LOF IRS 2018 Blade 550 EFI offroad LOF IRS 2013 Blade 550 offroad LOF IRS 2012 Blade 550 EFI LOF IRS FL ECO 2017 Blade 550 offroad LOF IRS 2010 Blade 550 EFI ECO LOF 2020-21 Blade 550 EFI ECO LOF Special Edition 2017 Blade 550 EFI EPS 4x4 LOF IRS Eco 2018 Black Edition Blade 550 EFI offroad LOF IRS 2016 Blade 550R EFI offroad LOF 2015 Blade 550 EFI LOF IRS Black Edition 2016
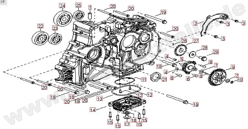
Windschild Lenksäule - Spurstange Sissybar Vorderrad Spezialwerkzeug Vorderradbremse Reifen und Felgen Federbein hinten Anhängevorrichtung Bremsanlage vorne Seilwinde Top Case Unterfahrschutz Gepäckträger vo. und hi. Stellmotor Differentialsperre Zubehör Variomatik Differenzial hinten Differenzial vorne Motorgehäuse links (2) Motorgehäuse links (1) Lichtmaschine - Anlasser Kurbelwelle - Kolben Bremspedal Gangschalthebel Benzintank Stossstange vo. und hi. Federbein vorne Rahmen Rücklicht - Blinker hinten Scheinwerfer - Blinker vorne Tachometer Aufkleber2 Rahmen Aufkleber1 Elektrik 2 Vergaser Motorgehäuse Motorgehäuse rechts Wasserpumpe - Tachoantrieb Getriebe Zylinder Zylinderkopf Ansaugstutzen Motor Motor Elektrik 1 Auspuff Luftfilter Kühler Kabelbaum Sitzbank Heckverkleidung Fussstützen und Tankabdeckung Frontverkleidung Stossstange vorne Benzinkanister u. Halter Schneeschild Soft Top Case Blade 550 offroad LOF IRS 2015 Top Case 135L Top Case 110L Hinterrad Hinterradachse Bremsanlage hinten Schalter - Hebel Lenker - Spiegel



































































