Ersatzteil Wahl:
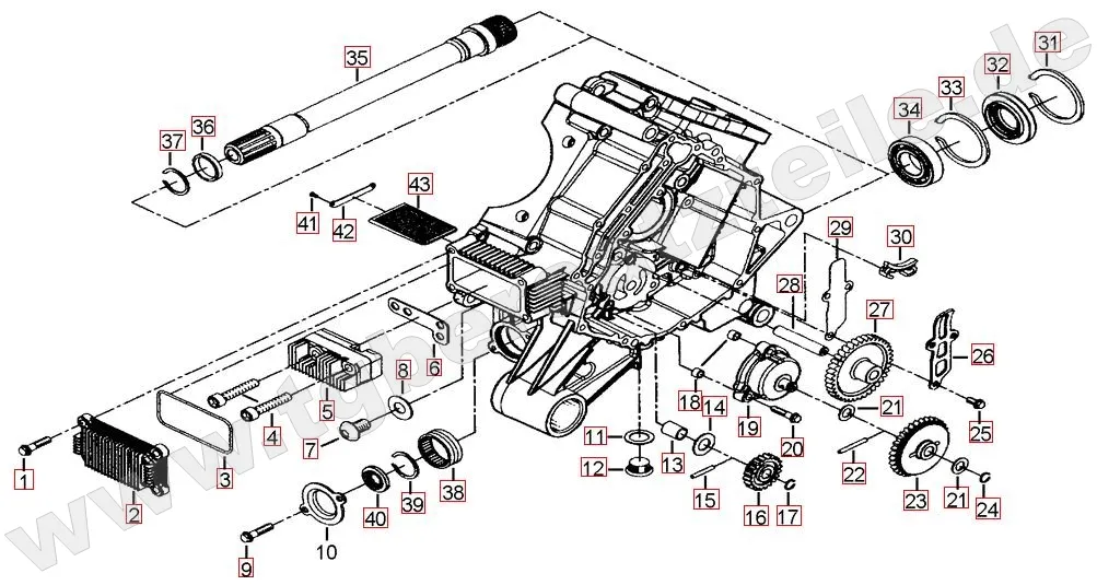
Stellmotor Differenzialsperre Differenzial hinten Differenzial vorne Drosselklappe Variomatik Lichtmaschine - Anlasser Reifen und Felgen Kurbelwelle Getriebe 2 Schneeschild Unterfahrschutz Anhängevorrichtung Seilwinde Top Case Gepäckträger vo. und hi. Zubehör Gangschalthebel Hitzeschutz f. Benzintank Benzintank - Benzinpumpe Stossstange vo. und hi. Federbein vorne Rahmen Rücklicht Scheinwerfer Aufkleber 2 Tachometer Aufkleber 1 Rahmen Elektrik 2 Elektrik 1 Getriebe 1 Motorgehäuse rechts Motorgehäuse links Motorgehäuse Zylinder Ansaugbrücke Zylinderkopf Ansaugstutzen Motor Blade 1000 LT EFI LOF IRS 2016 Motor Auspuff Luftfilter Kühler Kabelbaum - Schlosssatz Sitzbank Heckverkleidung Fussstützen - Tankabdeckung Frontverkleidung Stossstange vorne Hinterrad Hinterradachse Bremsanlage hinten Schalter - Hebel Lenker - Spiegel Lenksäule - Spurstange Vorderrad Vorderradbremse Federbein hinten Bremsanlage vorne Bremspedal





























































