Ersatzteil Wahl:
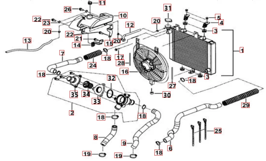
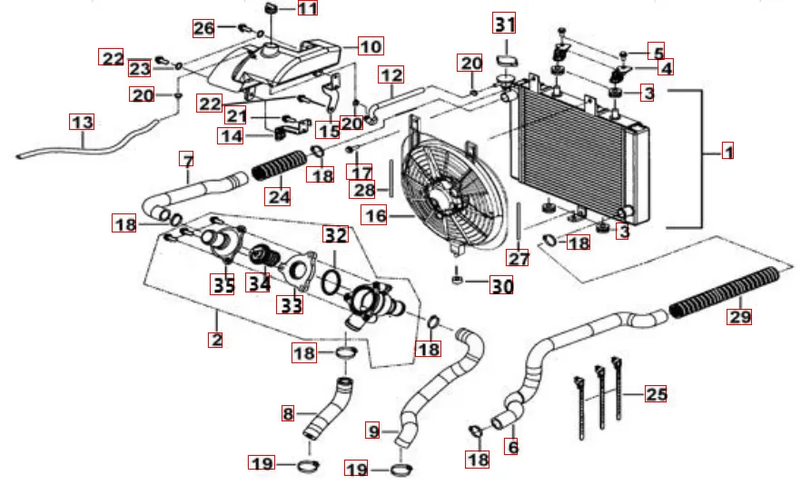
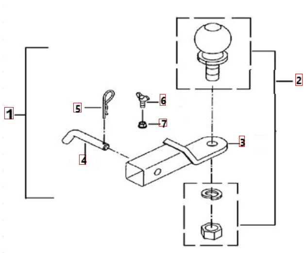
Aufkleber 2 Bremsanlage hinten Motorgehäuse links Hitzeschutz f. Kraftstofftanktank Gepäckträger vo.u. hi Hinterrad Gangschalthebel Seilwinde Frontverkleidung dunkelblau-metallic Bremspedal Scheinwerfer Bremsanlage vorne Kraftstofftank Elektrik 2 Zylinderkopf Tachometer TFT Motorgehäuse rechts Rücklicht Lichtmaschine-Anlasser Lenksäule-Spurstange(EPS mit Bürsten) Motor Aufkleber 2 (black edition) Top case 135l Getriebe 1 Ansaugstutzen Rahmen 1 Aufkleber 2 Vorderradbremse Frontmaske Getriebe 2 EPS (für Bürstenmotor) Vorderrad Ansaugbrücke Auspuff Variomatik Rahmen 2 Federbein hinten Hinterradachse (12") Zylinder Differential vorne Luftfilter Drosselklappe Hilfsrahmen-Halter Fußstütze-Halter Gepäckträger Sitzbank Differential hinten Fußstütze-Tankabdeckung dunkelblau-metallic Kühler Lenker-Spiegel Motorgehäuse Anhängekupplung Heckverkleidung dunkelblau-metallic Kabelbaum Schalter-Hebel Kurbelwelle Federbein vorne Aufkleber 1 Servomotor Elektrik 1


























































