Ersatzteil Wahl:
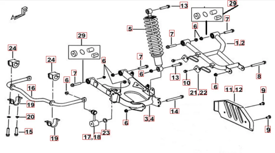
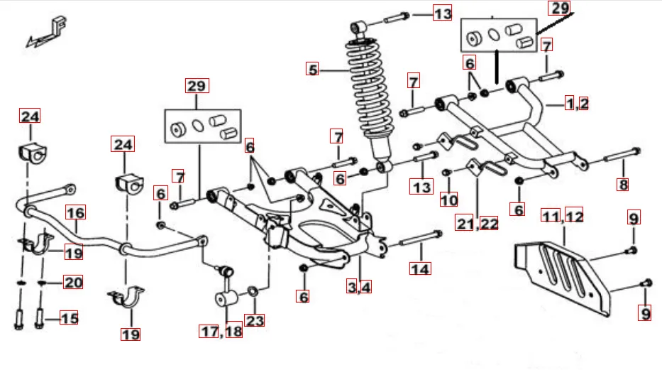
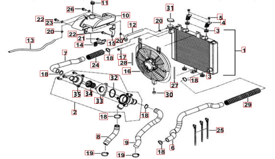
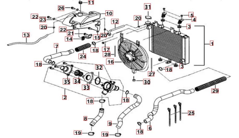
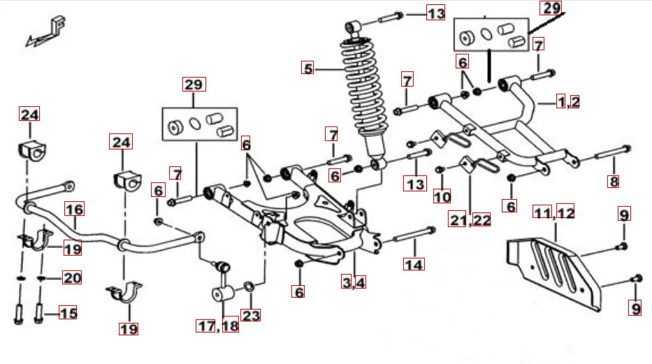
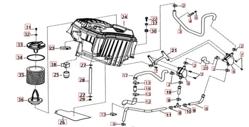
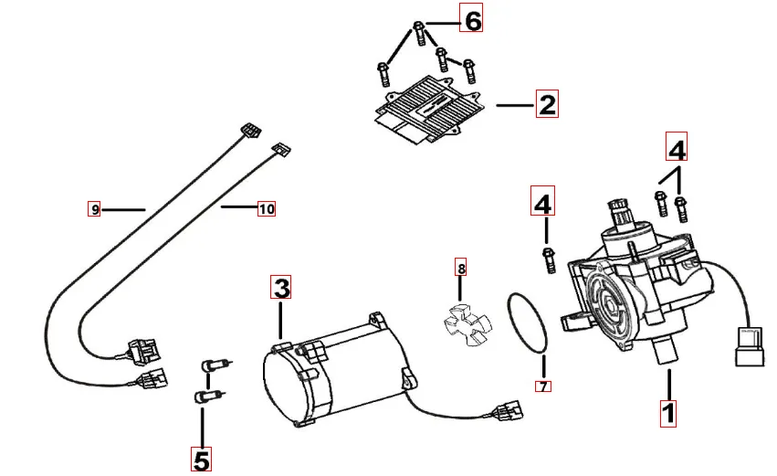
Top case 135l Fussstützen - Tankabdeckung Getriebe 1 Drosselklappe Sitzbank Anhängerkupplung Elektrik 2 Diagnosegerät Federbein hinten Scheinwerfer Lichtmaschine-Anlasser Hinterradachse Zylinder Rahmen 2 Seilwinde Frontmaske Motorgehäuse rechts Ansaugbrücke Aufkleber 2 (black edition) Heckverkleidung Bremsanlage hinten Federbein vorne Rahmen 1 Zylinderkopf Servomotor Seilwinde Schalter-Hebel Vorderrad Bremsanlage vorne Kühler Hilfsrahmen-Halter Fußstütze- Gepäckträger Ansaugstutzen Elektrik 1 Lenker-Spiegel Bremspedal Luftfilter Differential hinten Tachometer Motor Aufkleber 1 Lenksäule-Spurstange Gangschalthebel Auspuff EPS (für Bürstenmotor) Hinterrad Motorgehäuse links Differential vorne Hitzeschutz f. Kraftstofftanktank Rücklicht ohne Nebelschlussleuchte Variomatik Kurbelwelle Frontverkleidung Gepäckträger vo.u. hi Vorderradbremse Kraftstofftank Getriebe 2 Motorgehäuse Kabelbaum - Schlosssatz

























































