Ersatzteil Wahl:
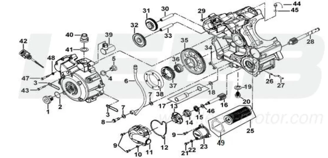
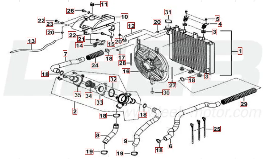
Kraftstofftank Servomotor Hitzeschutz f. Krafftstofftank Tachometer Vorderradbremse Motor Rücklicht Gangschalthebel Bremspedal Lenksäule-Spurstange Zylinderkopf Bremsanlage vorne Auspuff Lenker-Spiegel Luftfilter Schalter-Hebel Zylinder Kabelbaum Motorgehäuse rechts Differenzial hinten Kühler Drosselklappe Elektrik 2 Hinterradachse Motorgehäuse Getriebe 1 Elektrik 1 Sitzbank Kurbelwelle Frontmaske Motorgehäuse links Rahmen 2 Variomatik Lichtmaschine-Anlasser Aufkleber 1 Getriebe 2 Scheinwerfer Differenzial vorne Rahmen 1 Federbein vorne Heckverkleidung Ansaugstutzen Gepäckträger vo. u. hi. Aufkleber 2 Federbein hinten Bremsanlage hinten Vorderrad Aufkleber 22 Fusstütze-Tankabdeckung Hinterrad Frontverkleidung Hilfsrahmen



















































