Ersatzteil Wahl:
Sportsman 550 EPS/XP EPS Sportsman Touring 570 EFI INTL Sportsman Forest Tractor 500 Sportsman 570 EFI UTE HD EPS Sportsman XP 550 EPS HD INTL Sportsman X2 550 EPS Sportsman 570 EFI HD Sportsman Touring 570 EFI Sportsman 570 EFI EPS Forest Sportsman 800 EFI 6x6 Sportsman 570 EFI EPS Sportsman X2 550 EPS LE UE Sportsman Touring 550 EPS Sportsman Touring EPS 850/HO Sportsman ACE Sportsman 800 EFI 6x6 Forest Sportsman 800 EFI Forest Sportsman 570 Forest Sportsman 850 WV Sportsman Touring 850 INTL Sportsman Forest 550 Sportsman 800 EFI Sportsman 570 EFI Sportsman XP EPS 850/HO
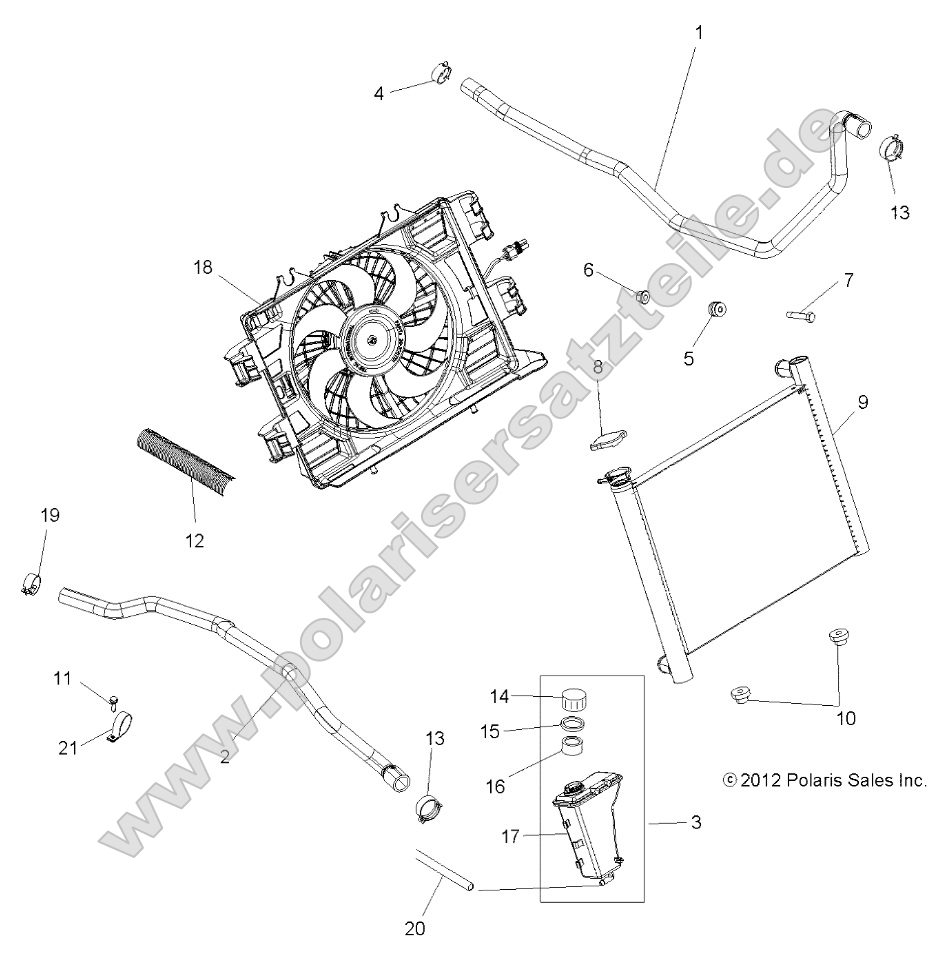
Brakes, Rear Caliper Brakes, Front Caliper Brakes, Front Brake Lever and Master Cylinder Brakes, Brake Pedal and Master Cylinder Brakes, Brake Lines Body, Storage, Rear Body, Skid Plates Body, Seat Body, Rear Cab and Rear Rack Wheels, Rear and Hub Wheels, Front and Hub Body, Rear Bumper Body, Headlight Pod Body, Fuel Tank Body, Front Rack and Supports Body, Front Cab Body, Front Bumper and Mounting Tools, Tool Kit Body, Footwells Suspension, Stabilizer Bar Body, Decals Suspension, Shock, Rear Body, Clutch Cover Suspension, Shock, Front Suspension, Rear Suspension, Front A-Arms Steering, Steering Post Asm. Steering, Handlebar and Controls Steering, Controls, Throttle Asm. and Cable Reference, Owners Manual Engine, Valves and Camshaft Engine, Throttle Body Engine, Starting System Engine, Short Block Engine, Oil Pump Engine, Oil Filter Engine, Mounting Engine, Magneto Cover Engine, Fuel Injector Engine, Exhaust Engine, Cylinder Engine, Crankshaft and Piston Engine, Crankcase Engine, Cooling System and Water Pump Engine, Cooling System Engine, Breather Engine, Air Intake Electrical, Taillights Electrical, Switches, Sensors, ECU and Control Modules Electrical, Ignition System Electrical, Headlights Electrical, Harness Electrical, Gauges and Indicators Electrical, Bulbs Electrical, Battery Drive Train, Secondary Clutch Drive Train, Rear Gearcase Internals Drive Train, Prop Shaft, Rear Drive Train, Prop Shaft, Front Drive Train, Primary Clutch Drive Train, Main Gearcase Shift Forks Drive Train, Main Gearcase Internals Drive Train, Main Gearcase Drive Train, Gearcase Mounting, Rear Drive Train, Gearcase Mounting, Front Drive Train, Gear Selector Drive Train, Front Gearcase Internals Drive Train, Drive Shaft, Rear Drive Train, Drive Shaft, Front Drive Train, Drive Coupler Chassis, Main Frame







































































