Ersatzteil Wahl:
Sportsman 800 EFI Sportsman Forest 500 Sportsman 550 Sportsman Forest 800 Sportsman 90 Sportsman XP 850 Sportsman Forest 800 6x6 Sportsman Forest 850 Sportsman Touring 500 HO Sportsman X2 550 INTL Sportsman 800 EFI 6x6 Sportsman EPS 550 Sportsman XP Touring EPS 550 Intl Sportsman 500 HO Sportsman XP EPS 850 Sportsman 400 HO 4x4 Sportsman XP Touring EPS 850 INTL Sportsman Forest 550
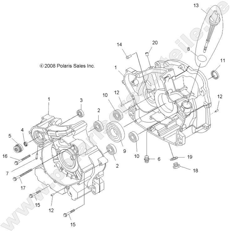
DRIVE TRAIN, MAIN GEARCASE DRIVE TRAIN, GEARCASE MOUNTING, REAR DRIVE TRAIN, GEARCASE MOUNTING, FRONT DRIVE TRAIN, GEAR SELECTOR DRIVE TRAIN, FRONT GEARCASE INTERNALS DRIVE TRAIN, DRIVE SHAFT, REAR DRIVE TRAIN, DRIVE SHAFT, FRONT DRIVE TRAIN, DRIVE COUPLER CHASSIS, MAIN FRAME BRAKES, VALVE SYSTEM BRAKES, REAR CALIPER BRAKES, FRONT CALIPER BRAKES, FRONT BRAKE LEVER and MASTER CYLINDER BRAKES, BRAKE PEDAL and MASTER CYLINDER BRAKES, BRAKE LINES BODY, SKID PLATES BODY, SEAT, PASSENGER BODY, SEAT, OPERATOR BODY, REAR RACK ASM. BODY, REAR CAB and FOOTWELL WHEELS, REAR and HUB WHEELS, FRONT and HUB TOOLS, TOOL KIT SUSPENSION, STABILIZER BAR BODY, MIRRORS BODY, HEADLIGHT POD BODY, FUEL TANK BODY, FRONT RACK SUPPORT BODY, FRONT CARGO BOX BODY, FRONT CAB SUSPENSION, SHOCK, REAR BODY, FRONT BUMPER and MOUNTING SUSPENSION, SHOCK, FRONT BODY, DECALS SUSPENSION, REAR BODY, CLUTCH COVER SUSPENSION, FRONT A-ARMS STEERING, STEERING POST ASM. STEERING, HANDLEBAR and CONTROLS STEERING, CONTROLS, THROTTLE ASM. and CABLE ENGINE, VALVES and CAMSHAFT ENGINE, THROTTLE BODY ENGINE, STARTING SYSTEM ENGINE, SHORT BLOCK ENGINE, OIL PUMP ENGINE, OIL FILTER ENGINE, MOUNTING ENGINE, MAGNETO COVER ENGINE, FUEL INJECTOR ENGINE, EXHAUST ENGINE, CYLINDER ENGINE, CRANKSHAFT and PISTON ENGINE, CRANKCASE ENGINE, COOLING SYSTEM and WATER PUMP ENGINE, COOLING SYSTEM ENGINE, BREATHER ENGINE, AIR INTAKE ELECTRICAL, TURN SIGNALS and HORN ELECTRICAL, TAILLAMPS ELECTRICAL, SWITCHES, SENSORS, ECU and CONTROL MODULES ELECTRICAL, IGNITION SYSTEM ELECTRICAL, HEADLIGHTS ELECTRICAL, HARNESS ELECTRICAL, GAUGES and INDICATORS ELECTRICAL, BULBS ELECTRICAL, BATTERY DRIVE TRAIN, SECONDARY CLUTCH DRIVE TRAIN, REAR GEARCASE INTERNALS DRIVE TRAIN, PROP SHAFT, REAR DRIVE TRAIN, PROP SHAFT, FRONT DRIVE TRAIN, PRIMARY CLUTCH DRIVE TRAIN, MAIN GEARCASE SHIFT FORKS DRIVE TRAIN, MAIN GEARCASE INTERNALS

Polaris MECHANICAL SEAL - 3084837 (3084837)
91,89 € *
Nicht verfügbar, muss beim Hersteller / Importeur bestellt werden, Lieferzeit 7-12 Tage, wenn beim Hersteller / Importeur vorrätig

Zoomen:
Artikelname
Artikelnummer
Preis
Anzahl
05
Polaris MECHANICAL SEAL - 3084837
Nicht verfügbar, muss beim Hersteller / Importeur bestellt werden, Lieferzeit 7-12 Tage, wenn beim Hersteller / Importeur vorrätig
Artikelnummer: 3084837
Preis:
91,89 € *
