Ersatzteil Wahl:
Sportsman Touring 500 HO Intl Sportsman EPS 550 Sportsman 800 EFI Sportsman 800 EFI 6x6 Sportsman X2 550 Intl Sportsman XP EPS 850 Sportsman Forest 500 Sportsman Touring EPS 850 Intl Sportsman 400 HO 4x4 Sportsman Forest 550 Sportsman Touring EPS 550 Intl Sportsman Forest 850 Sportsman 550 Sportsman XP 850 Sportsman X2 850 Sportsman 500 HO
DRIVE TRAIN, DRIVE SHAFT, REAR DRIVE TRAIN, DRIVE SHAFT, FRONT DRIVE TRAIN, DRIVE COUPLER (Built 3/02/11 and After) DRIVE TRAIN, DRIVE COUPLER (Built 3/01/11 and Before) CHASSIS, MAIN FRAME BRAKES, VALVE SYSTEM BRAKES, REAR CALIPER BRAKES, FRONT CALIPER BRAKES, FRONT BRAKE LEVER and MASTER CYLINDER BRAKES, BRAKE PEDAL and MASTER CYLINDER WHEELS, REAR and HUB WHEELS, FRONT and HUB TOOLS, TOOL KIT SUSPENSION, STABILIZER BAR SUSPENSION, SHOCK, REAR BRAKES, BRAKE LINES BODY, TAILGATE BRACKETS BODY, TAILGATE BODY, SKID PLATES BODY, SEAT, PASSENGER, BOTTOM SUSPENSION, SHOCK, FRONT BODY, SEAT, PASSENGER, BACK SUSPENSION, REAR BODY, SEAT, OPERATOR SUSPENSION, FRONT A-ARMS BODY, REAR CAB and FOOTWELL STEERING, STEERING POST ASM. BODY, MIRRORS STEERING, HANDLEBAR and CONTROLS BODY, HEADLIGHT POD STEERING, CONTROLS, THROTTLE ASM. and CABLE REFERENCE, OWNERS MANUAL ENGINE, VALVES and CAMSHAFT ENGINE, THROTTLE BODY ENGINE, STARTING SYSTEM BODY, FUEL TANK BODY, FRONT RACK SUPPORT BODY, FRONT CARGO BOX BODY, FRONT CAB BODY, FRONT BUMPER and MOUNTING BODY, DECALS ENGINE, SHORT BLOCK BODY, CLUTCH COVER ENGINE, OIL PUMP BODY, BOX, REAR ENGINE, OIL FILTER BODY, BOX FRAME and LATCH ENGINE, MOUNTING ENGINE, MAGNETO COVER ENGINE, FUEL INJECTOR ENGINE, EXHAUST ENGINE, CYLINDER ENGINE, CRANKSHAFT and PISTON ENGINE, CRANKCASE ENGINE, COOLING SYSTEM and WATER PUMP ENGINE, COOLING SYSTEM ENGINE, BREATHER ENGINE, AIR INTAKE (Built 10/23/10 and After) ENGINE, AIR INTAKE (Built 10/22/10 and Before) ELECTRICAL, TURN SIGNALS and HORN ELECTRICAL, TAILLIGHTS ELECTRICAL, SWITCHES, SENSORS, ECU and CONTROL MODULES ELECTRICAL, IGNITION SYSTEM ELECTRICAL, HEADLIGHTS ELECTRICAL, HARNESS ELECTRICAL, GAUGES and INDICATORS ELECTRICAL, BULBS ELECTRICAL, BATTERY DRIVE TRAIN, SECONDARY CLUTCH DRIVE TRAIN, REAR DIFFERENTIAL INTERNALS DRIVE TRAIN, PROP SHAFT, REAR DRIVE TRAIN, PROP SHAFT, FRONT (Built 11/23/10 and After) DRIVE TRAIN, PROP SHAFT, FRONT (Built 11/22/10 and Before) DRIVE TRAIN, PRIMARY CLUTCH DRIVE TRAIN, MAIN GEARCASE SHIFT FORKS (Built 3/02/11 and After) DRIVE TRAIN, MAIN GEARCASE SHIFT FORKS (Built 3/01/11 and Before) DRIVE TRAIN, MAIN GEARCASE INTERNALS (Built 3/02/11 and After) DRIVE TRAIN, MAIN GEARCASE INTERNALS (Built 3/01/11 and Before) DRIVE TRAIN, MAIN GEARCASE (Built 3/02/11 and After) DRIVE TRAIN, MAIN GEARCASE (Built 3/01/11 and Before) DRIVE TRAIN, GEARCASE MOUNTING, REAR DRIVE TRAIN, GEARCASE MOUNTING, FRONT DRIVE TRAIN, GEAR SELECTOR DRIVE TRAIN, FRONT GEARCASE INTERNALS

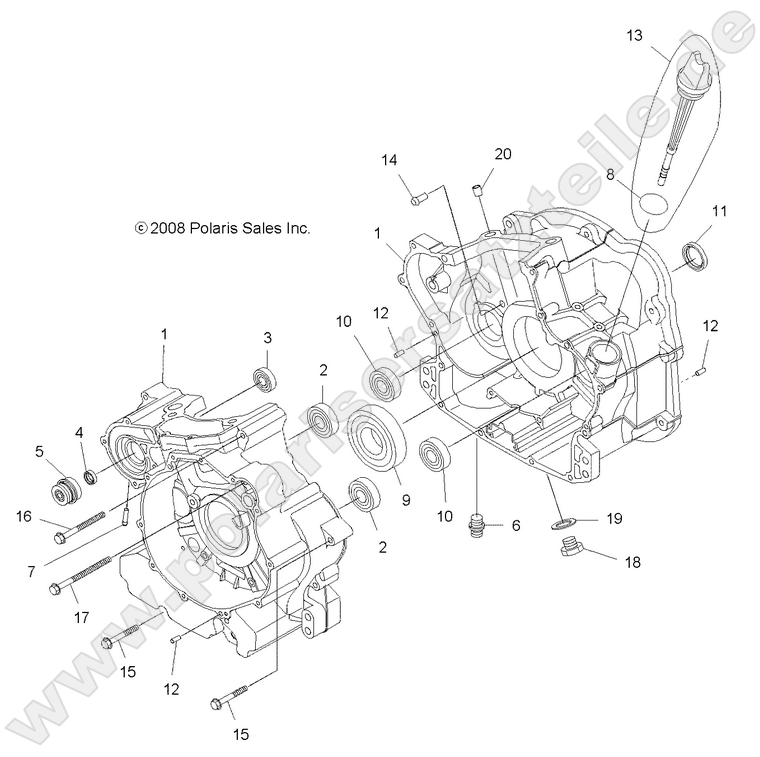
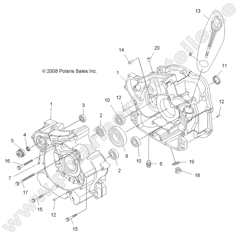
Polaris MECHANICAL SEAL - 3084837 (3084837)
91,89 € *
Nicht verfügbar, muss beim Hersteller / Importeur bestellt werden, Lieferzeit 7-12 Tage, wenn beim Hersteller / Importeur vorrätig

Zoomen:
Artikelname
Artikelnummer
Preis
Anzahl
05
Polaris MECHANICAL SEAL - 3084837
Nicht verfügbar, muss beim Hersteller / Importeur bestellt werden, Lieferzeit 7-12 Tage, wenn beim Hersteller / Importeur vorrätig
Artikelnummer: 3084837
Preis:
91,89 € *
