Ersatzteil Wahl:
Ranger EV Ranger 1000 Diesel EU Ranger 570-6 Crew Ranger 1000 Diesel Crew Ranger 570 XP Full Size Ranger 900 XP EU Ranger 900 XP All Options Ranger Crew 900 All Options Ranger EV Li-Ion Ranger HST Diesel Ranger 570 XP Full Size Crew Ranger 800 6x6 Ranger 570 EFI Crew Ranger 1000 Diesel Ranger ETX Ranger 570 Ranger 570 Full Size Ranger 570 EU
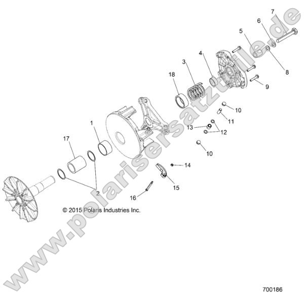
Engine, Oil Filter, Dipstick and Fill Cap Brakes, Pedal and Master Cylinder Engine, Long Block Brakes, Caliper, Rear Engine, Exhaust System Brakes, Caliper, Front Engine, Engine and Transmission Mounting Brakes, Brake Lines and Master Cylinder Engine, Cylinder Head Engine, Cylinder Body, Tailgate Asm. Body, Side Nets Engine, Crankshaft, Piston and Balance Shaft Body, Seat Belts Engine, Crankcase and Oil Sump Body, Hood, Dash and Grill Engine, Cooling System Body, Fuel Tank Asm. Engine, Cams and Bearing Housing Body, Floor and Fenders Engine, Cam Chain and Sprocket Body, Decals Body, Box Mounting Engine, Breather Hose Body, Box Asm. Engine, Air Intake System Electrical, Wire Harnesses Electrical, Sensors Electrical, Regulator Wheels, Rear Wheels, Front Electrical, Ignition Electrical, Headlights, Taillights and Bulbs Suspension, Stabilizer Bar Electrical, Dash Instruments and Controls Suspension, Rear Electrical, Battery Suspension, Front Strut Drive Train, Secondary Clutch Suspension, A-Arm and Strut Mounting Drive Train, Rear Drive Shaft Steering, Steering Asm. Drive Train, Primary Clutch References, Tool Kit and Owners Manuals Drive Train, Main Gearcase Engine, Waterpump Impeller and Cover Drive Train, Gear Selector Engine, Valve Cover Drive Train, Front Prop Shaft Engine, Throttle Pedal Engine, Throttle Body and Fuel Rail Drive Train, Front Gearcase Mounting Drive Train, Front Gearcase Internals Engine, Thermostat and Cover Drive Train, Front Drive Shaft Engine, Stator Cover and Flywheel Drive Train, Clutch Cover and Ducting Engine, Starter Drive Chassis, Frame and Front Bumper Engine, Oil Pump Chassis, Cab Frame





























































