Ersatzteil Wahl:
Ranger 800 6x6 Ranger 570 EFI Crew Ranger 900 XP All Options Ranger 570 INTL Ranger 800 EFI Midsize Ranger 400 4x4 Ranger 4x4 900D Hippo MPS Ranger 900 Diesel INTL Ranger 800 Ranger EV Midsize INTL Ranger 570 EFI Ranger 800 Crew Ranger 900 Diesel Ranger 900 Crew All Options Ranger 900 Diesel HST/Deluxe Ranger 900 Diesel Crew
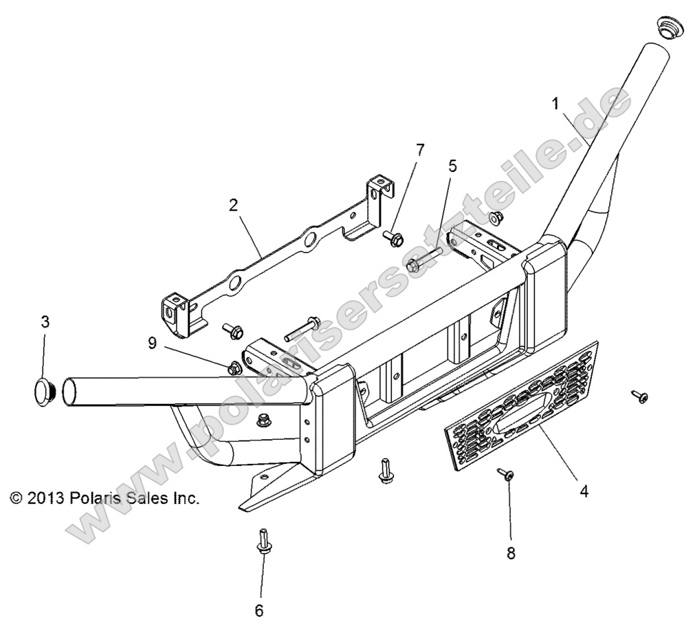
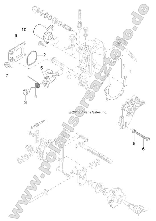
Drive Train, Hydrostat Mounting and Lines Drive Train, Front Prop Shaft Drive Train, Front Half Shaft Drive Train, Front Gearcase Mounting Drive Train, Front Gearcase Internals Drive Train, Driven Motor Drive Train, Drive Pump Chassis, Main Frame Chassis, Cab Frame Chassis, Bumper, Front Brakes, Rear Caliper Brakes, Pedal and Master Cylinder Brakes, Front Caliper Brakes, Brake Lines and Master Cylinder Body, Windshield Wiper Body, Windshield Body, Window, Rear Body, Storage Wheels, Rear Wheels, Front Suspension, Rear Shock Body, Seat Body, Seals Body, Roof Body, Hvac, Internals Body, Hvac Suspension, Rear Body, Hood Suspension, Front Shock Body, Fuel Tank Suspension, Front Body, Front Floor and Fender R142D9JDA (49BRUTUSFENDER13M) Steering, Hydraulics Body, Front Floor and Fender R141D9JDA (49BRUTUSFENDER13D) Steering Body, Floor References, Tool Kit & Owners Manuals Hydraulics, Pump, Valve Housing Hydraulics, Pump, Main Housing Hydraulics, Motor Hydraulics, Manifold Valve Body, Doors Body, Door Mounting Body, Decals Body, Dash Body, Closeoff, Rear Body, Cargo Box Hydraulics, Gear Pump Body, Bumper Hydraulics, Auxiliary Valve Body, Box Tailgate Engine, Water Cooling System Body, Box Mounting and Latch Engine, Starting Motor Engine, Oil System and Dipstick Engine, Mounting Flange and Oil Sump Engine, Mounting Engine, Governor Engine, Gear Housing Engine, Gasket Set Engine, Fuel Line Engine, Fuel Injection Valve Engine, Fuel Injection Pump Engine, Exhaust Manifold Engine, Exhaust Engine, Cylinder Head and Bonnet Engine, Cylinder Block Engine, Crankshaft and Piston Engine, Cooling System Engine, Camshaft and Driving Gear Engine, Air Intake System Electrical, Headlight and Taillight Electrical, Harness R142D9JDA (49BRUTUSHARNESS13M) Electrical, Harness R141D9JDA (49BRUTUSHARNESS13D) Electrical, Dash Controls Electrical, Battery Drive Train, Throttle Pedal Drive Train, Shift Lever and Cable Drive Train, Rear Drive Shaft Drive Train, Main Gearcase Mounting Drive Train, Main Gearcase Internals 2 Drive Train, Main Gearcase Internals 1


















































































