Ersatzteil Wahl:
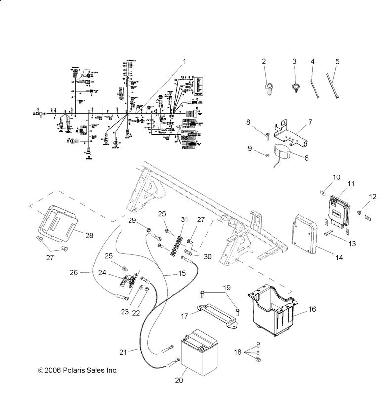
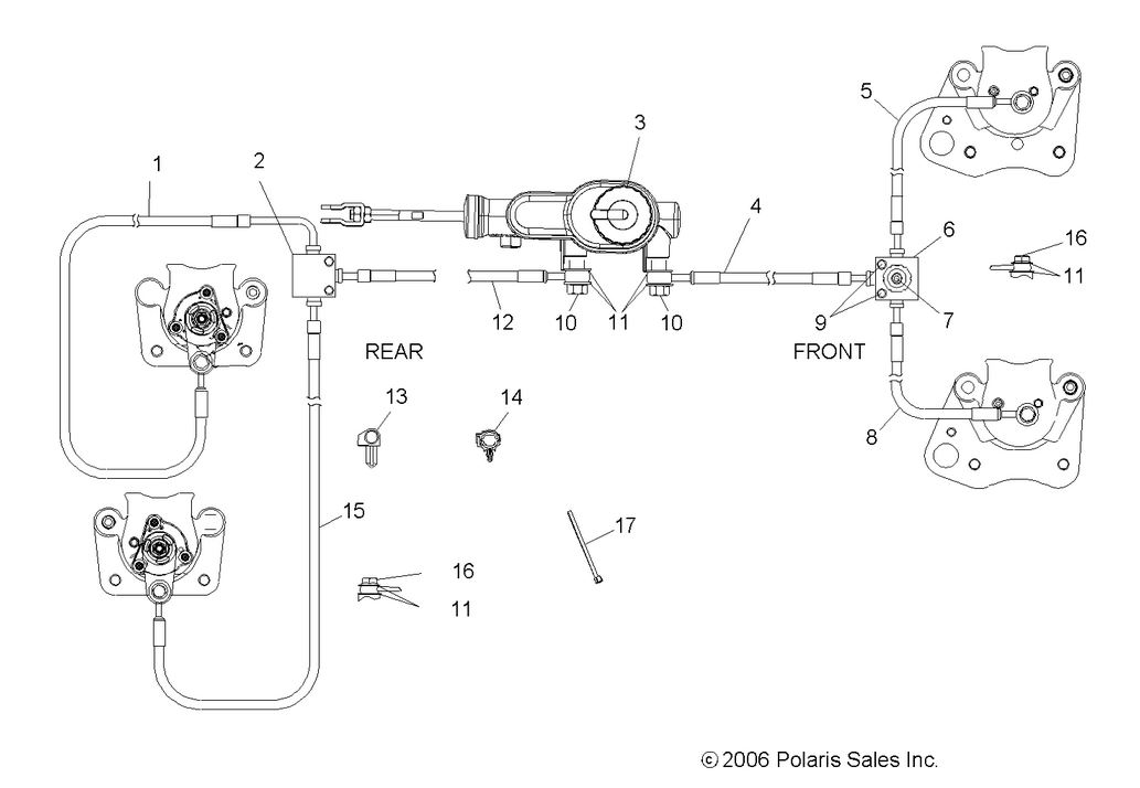
ENGINE, MOUNTING TRANSMISSION, INTERNAL ENGINE, MAGNETO TRANSMISSION ENGINE, INTAKE AND EXHAUST ENGINE, FUEL INJECTION THROTTLE ENGINE, FLYWHEEL COVER TAILGATE ENGINE, CYLINDER SUSPENSION, REAR ENGINE, CRANKSHAFT AND PISTON STRUT, FRONT ENGINE, CRANKCASE STEERING ENGINE AND CLUTCH AIR INTAKE STABILIZER BAR, REAR SHAFT, PROP, REAR ELECTRICAL/BATTERY DECALS SHAFT, PROP, FRONT DASH INSTRUMENTS AND CONTROLS SHAFT, DRIVE, REAR, LH, RH COOLING SYSTEM SHAFT, DRIVE, FRONT CLUTCH, DRIVEN SEAT/SEAT BASE CLUTCH, DRIVE OIL TANK CLUTCH, COVER MOLDINGS CHASSIS/BODY HOOD BRAKE, PARK, PEDAL GEARCASE, REAR (BUILT BEFORE 1/15/07) BRAKE, PARK (IF BUILT BEFORE 1/15/07) GEARCASE, REAR (BUILT AFTER 1/15/07) GEARCASE, MOUNTING, REAR (BUILT BEFORE 1/15/07) BRAKE, PARK (IF BUILT AFTER 1/15/07) BRAKE, FOOT GEARCASE, MOUNTING, REAR (BUILT AFTER 1/15/07) BRAKE LINES/MASTER CYLINDER GEARCASE, FRONT BRAKE CALIPER, REAR GEAR SELECTOR BRAKE CALIPER, FRONT FUEL SYSTEM BOX MOUNTING FRAME, CAB ASM., BOX AIR BOX EXHAUST SYSTEM ENGINE, WATER PUMP A-ARM/STRUT MOUNTING ENGINE, THROTTLE BODY WHEEL, REAR ENGINE, STARTING MOTOR WHEEL, FRONT ENGINE, OIL PUMP TRANSMISSION, OUTPUT SHAFT TRANSMISSION, MOUNTING ENGINE, OIL FILTER
